H ιστοσελίδα χρησιμοποιεί cookies
×
ricambi.gr
×
 x 

Το καλάθι σας είναι άδειο.

Φιλική Υποστήριξη

Σας απαντούμε σε οποιαδήποτε απορία σε 24ωρη βάση μέσω e-mail (παράκληση να μας αποστέλλετε και τον αριθμό πλαισίου του οχήματος σας)

Εγγύηση Αξιοπιστία

Εγγύηση και αξιοπιστία στην αποστολή των εμπορευμάτων σας

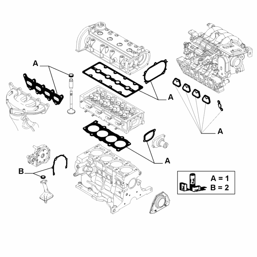
ΗΜΙΣΕΤ ΦΛΑΝΤΖΩΝ G.PUNTO ABARTH

ΓΝΗΣΙΟ ΗΜΙΣΕΤ ΦΛΑΝΤΖΩΝ (ΑΝΩ ΜΕΡΟΣ)
AΠΑΡΑΙΤΗΤΟΣ Ο ΑΡΙΘΜΟΣ ΠΛΑΙΣΙΟΥ.
Array
Τιμή με ΦΠΑ: 160,00 €

Πώς θα μας βρείτε

GoogleMaps

Επικοινωνία

Ανταλλακτικά Ricambi
Γεωργικής Σχολής 1 
Τ.Κ. 55535
Πυλαία Θεσσαλονίκη
info@ricambi.gr
2310 423 270
2310 821 323

 

Find us on Facebook

facebook ricambi


TOP